goto www.audiodesignguide.com

AV system by Andrea Ciuffoli - 1 jan. 2003

contact me for any problem or question: webmaster@audiodesignguide.com


 

Introduction

This isn't a classic audio video system ofcourse.

using the Sony products:

KV-32FX65

TV Color 16:9 Flat Display Trinitron Wega da 32"

Advanced 100 Hz Digital Plus
Ricezione Pal/Secam Est
NTSC Video In
Standard TV B, G, H, D/K
Audio Hifi Stereo 2x20 W + 1x30 W Subwoofer
Auto 16:9
3 Prese Scart
Ingresso RCA / S-Video frontale
Uscite RCA Audio
Uscita cuffie

DVP-NS705/S

Lettore DVD Video con Decoder incorporato, compatibile MP3

Riproduzione PAL/NTSC (Area 2)
Riproduzione DVD Video / DVD+RW / DVD-R/RW(Video Mode) / DVD-RW(VR) / SACD / SACD Multicanale / Video CD/ CD Audio / CD-R / CD-RW
Compatibile MP3 (MPEG1 Layer 3)
Convertitore Video D/A 10 Bit / 27 MHz
Decoder digitale integrato: Dolby Digital / Dolby ProLogic
Digital Cinema Sound (5 modalita)
Segnale audio digitale in uscita: Dolby Digital / DTS / MPEG
Convertitore D/A Audio a 192 KHz / 24 Bit
Uscita 5.1 (DD/SACD)
Uscita digitale ottica e coassiale
Uscita digitale 96 KHz / 24 Bit
Uscita A/V RCA e S-Video 4 pin miniDIN
 



Hi-end components

P17RE COAX/TVF (H825) Seas coaxial driver with magnetic shield
 

I am using a DACT stepper attenuator instead of the normal ALPS or NOBLE solution, because the the sound is clearer.
 

Golden Dragon 12AX7/ECC83 (page1 and page5)

Golden dragon 12AU7/ECC82 (page1 and page6)

About wire forget the teflon ! use only stranded tinned copper wire with pvc isulator and for loudspeakers the same.

A very good quality stranded tinned copper wire could be buy directly from E-Z-HOOK that carries an extensive line of fine stranded and extra flexible wire.

Toshiba and Motorola transistors:
 


Loudspeakers protection:


Design

6 channels amplifier

It is an hybrid amplifier with tube voltage/driver stage and transistor output stage.
 

Specifications:
Test results

All these tests has been generated with CLIO system by www.audiomatica.it



 



Schematics

Input stage

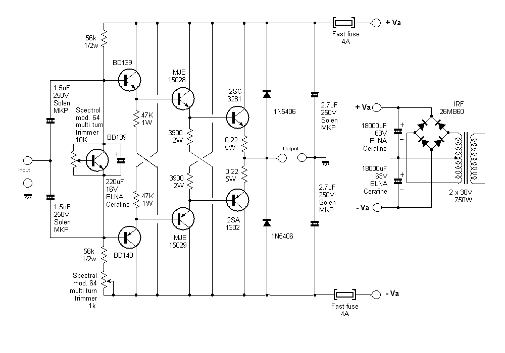
Output stage (last release)

Protetion stage (last release)



5 + 1 channels loudspeakers

this box has been develop with the collaboration of Punto Musica

        



Chassie



Sonic results

top performance !