|
back to www.audiodesignguide.com |
To get more information contact me at: webmaster@audiodesignguide.com |
Bang & Olufsen Beovox 5700 loudspeakers

Here I am trying to restore a pair of a famous Danish speaker very close to Celestion Ditton.
The specifications has been copied from hifi-wiki.com.
Technical Data
Technical data DIN power handling capacity 60 watts
Frequency range 35 - 20,000 Hz
After the big result obtain with the upgrade on Philips
22RH495 the expectation is
high.
The components are of good quality and also the construction of the box is very good if compared to Philips.
Like many old loudspeakers the crossover use electrolytic capacitors
which are very old so we may find large differences in value
compared to the original.
Like the
Philips
22RH457 and
22RH495 models
the strong point of this speaker system is the large dome midrange
which ensures incredible dispersion compared to a cone.
In recent years the dome mids are little used probably to avoid
crossovers between the speakers in the vocal range but try listening
to ATC speakers with their very expensive 75mm medium.
Woofer datasheet (doc. 2.1)
Woofer datasheet (doc. 2.2)
Woofer datasheet (doc. 2.3)
I have found 2 big problems on woofer drivers:
a driver made the classic noise of the coil touching the magnetic complex
the suspensions of all the woofers have dried out and shrunk, losing their classic circular shape and flattening
The first problem has been solved by Andrea of Punto Musica detaching the suspension from the basket and re-centering the cone
The second problem causes a speaker
compliance modification and a shift of the
resonant frequency upwards.
The solution would be to replace all the
suspensions but the diameter of these woofer is not standard.
I have
measured a
resonant frequency of
37Hz instead of original 20Hz.
Follows the frequency response of the drivers without the filter

The mid have a the tweeter has a soft fall on 2-3Khz which remains even after filtering and this characterizes the entire sound of the speaker.
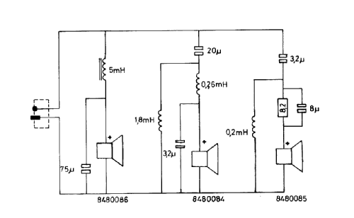
Schematic of the original filter

Schematic of the new filter


Follows the new frequency response at 1m with MLS

this is the total impedance, min 3.7ohm at 7.5KHz


PHOTOS AND DETAILS




![]() |
RED
RED GREEN WHITE RED 2 2 100000 10% 250V 2200000pF = 2.2uF BROWN BLACK GREEN WHITE RED 1 0 100000 10% 250V 1000000pF = 1.0uF 2.0 + 1.0 = 3.2uF I have found a problem also on one electrolytic capacitor which creates distortion so I will replace all with the Nichicon KZ 50V. On each channel are used: 75uF so I use 2 x 100uF + 2 x 47uF 20uF so I use 2 x 23uF (I have verified the same frequency response) 8uF so I use 2 x 10uF In the my Beovox 5700 someone in the past have replaced the 8uF electrolytic cap. on the tweeter section with an Icel MKT and this is a big mistake because the ESR is very different. Look the measurements of one 8uF MKT and a bipolar electrolytic created with 10+10uF (5uF) MUSE Nichicon electrolytic. A different ESR create a problem on the filter because the effect is a different frequency response. |


The fixed input cable has been eliminated by inserting connectors on the back and the internal cable is now a 4S11G STAR QUAD Speaker cable OFC Copper 4x2.08mm˛.

