Audio Note Reviews
An Logo

Reviews

The "Ankoru Writings" of Andy Grove (its creator) for Sound Practices magazine

Musical information is a dynamic four dimensional continuum, like the one posed by the relativity theory, consisting of three spatial dimensions and time, all inseparably inter-related. A system for music recording and reproduction must transfer this continuum and faithfully reconstruct the original sonic performance in the listening room. Test instruments are supposed to ensure that the transformation of the continuum is linear and accurate to certain parameters.

Alas, these instruments and the mathematical models that we use, such as the relativity theory, lack the spontaneity and emotional content vital to music. Somehow our primitive method of recording scratches into a vinyl disc captures some of this emotion, and the lump of rock we call a stylus is able to extract the information and convert the vibes into a signal ready for the amplification chain. The amplifier, therefore, must not only perform well electrically, it must also convey emotion in order to fully satisfy both the analytical mind and the inspirational soul.

These days, science is beginning to discover an essential, almost mystical, interconnectedness of everything. It is intuitively obvious that the character of the universe on a macroscopic scale should rely on the properties of the subatomic particles of which it consists. At the same time, the character and properties of those particles is defined by the universe at large, the whole system mysteriously holding itself up by its own bootstraps, each piece of the giant jigsaw fitting exactly into place without deficiencies or excesses.

It is only by virtue of an intellectual gesture that we perceive a condensed, solid, and definable part of the web of reality, yet we have deceived ourselves into thinking that our mental creation is the be-all and end-all of existence.

Most of our old scientific "laws" - including those currently used to judge sonic performance - are only close-ups of the whole picture. I'm afraid we are not seeing the wood for the trees.

Certainly these measured parameters do have some relevance in terms of overall performance, but to recreate a musical event, an amplifier must work on both a macroscopic scale as a part of a communication system between the performance and listener, and on a microscopic level as a collection of valves and parts which must be tamed and optimized for the task at hand.

A magazine article can only skim the surface of any design philosophy and, of course, there will be shouts of "what the *@$! is this guy on?", but I hope my discussion of the Ankoru design will be interesting nonetheless.

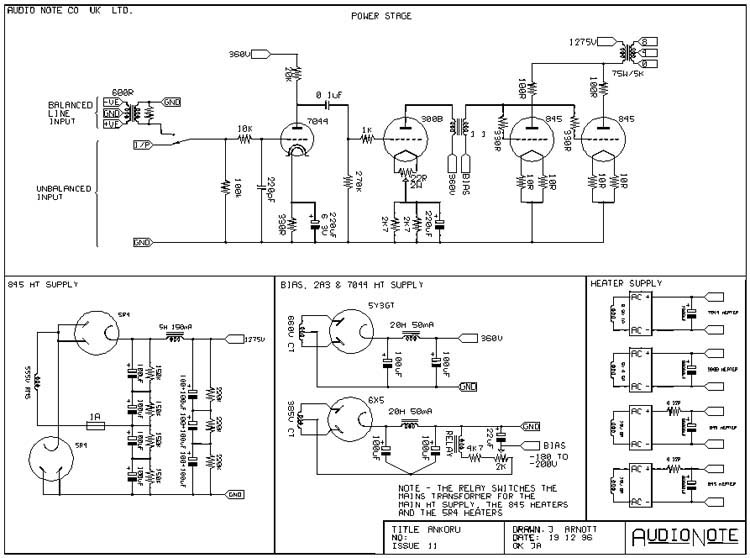
The Schematics of the Ankoru

Ankoru  Schematics

Starting with the basic precept that each part of the amplifier should fit exactly into place, and have a character defined by the overall requirements of the system, the validity of feedback and push-pull operation, two pillars of traditional amplifier design, are immediately called into question. These concepts are purely intellectual constructions, created in laboratories with no motivation from natural music, and I am convinced that they detract from sound quality as a result.

In practice, the ultimate purpose of feedback and push-pull operation is to make amplifiers easier to make not better. In any event, reducing harmonic distortion to vanishingly small levels and increasing bandwidth from DC to cosmic rays does not make a more musically satisfying amplifier. Specs must give some satisfaction though, 'cos we all know a guy who slinks off to the bathroom with a copy of his tranny amp spec sheet!

I agree that limitations such as distortion and bandwidth abhorations unquestionably colour the sound and should be eliminated, but beyond that I maintain that there are more important areas to be considered if musicality is the ultimate goal.

According to my way of thinking, all of the above leads to the assertion that the overall topology of an amplifier must be single-ended and there must be no feedback. Transistors and all things silicon sound unnatural ... put sand in the signal path and you get gritty sound! So, let's proceed directly to valves and, in particular, the simplest and purest amplifying device.

The materials used for the construction of the passive elements of the amplifier are just as important since the signal must pass through them. Every material has a tonal colouring effect, so only highly-specified, high-purity, listening- testing materials are suitable.

For example, in the Ankoru we use only Black Gate and Cerafine electrolytic capacitors for the audio circuitry. These caps eliminate the electrolytic mushiness without going over to the brashness of certain plastic caps. The valve selection was guided by the notion that the different sonic signatures of each type should be complimentary, leading to the goal of a sound that possesses both strength and finesse.

Before I go on to describe the Ankoru circuit in detail, I would like to say a few words about transformers and transformer coupling, since transformers play an important role in the design.

In any valve, waveform distortion is caused by the characteristic parameters of the valve changing in sympathy with the applied signal. In a standard RC coupled triode circuit, the valve is set up with a quiescent current (Iq) following through it and the load resistor, yielding a particular quiescent voltage on its anode (Vq).

With a negative-going input signal, the current is reduced and the anode swings positive due to the reduced voltage drop across the load resistor (R1 X Iq). The reverse is true with a positive-going input signal, the valve's anode current is increased so the voltage on it reduces due to increased drop across R1.

There is a problem with this, however, because as the anode swings positive and the current decreases, the trans- conductance of a valve goes down due to the curvature of its characteristic. Of course, the reverse is true with a positive-going input signal, the transconductance goes up with the current.

This means that the positive part of the anode swing is compressed and the negative part is expanded - waveform distortion. Usually, this distortion only becomes serious with very non-linear valves and/or large voltage swings. When we want to drive a fairly meaty output valve, we need to swing a lot of volts because the mu of these types is necessarily low to keep loudspeaker damping up. In this circumstance, waveform distortion can easily rear its rather ugly head.

We need a system for keeping the current through the valve as constant as possible over the anode swing, i.e. a high load impedance. Increasing the load resistor on an RC coupled stage can only go so far, however. One soon runs into problems of resistor dissipation and PSU voltage if the anode current is kept at the optimum level.

The SRPP stage and his other active loaded cousins, such as the mu follower, have never really delivered the goods for me. Close listening reveals a lack of focus and immediacy compared to even the humble RC coupled stage. Anyway, SRPP is a feedback device and quite often that scheme doesn't work very well electrically either, especially with the low impedance valves we would like to use as drivers. Simply pretending that you've got a low output impedance just doesn't cut any ice in the world of real audio.

For large power valves, a low AC drive impedance is necessary because large valves have large and therefore highly capacitive grids. Thankfully, the low gain keeps down the Miller Effect, but it's still there, so for good HF response, there is no getting around using a good low-impedance driver.

From the standpoint of sound quality, for a strong sound we need a beefy, low impedance driver. Wimpy driver equals wimpy sound. Drive two 845s with an ECC83 and it'll be like putting a model aircraft engine in a Chevy Impala. Not exactly awe-inspiring.

The DC resistance of the grid circuit must also be kept low to control the effect of another rather annoying bugbear, grid current. Unfortunately, the vacuum in many modern valves is far from perfect, so there are quite a few gas ions floating around inside the bottle. Some of these ions will collide with the grid and draw electrons from the grid circuit. If the grid resistance is high, the grid bias will be modulated in tune with the signal, a real no-no in my book.

Also the grid may occasionally be driven positive on signal peaks, causing the grid cathode diode to conduct, rectifying the input voltage in the manner of a shunt diode supply with the decoupling cap as the reservoir. This action makes the bias voltage more negative, reducing the quiescent current through the tube, sometimes to the point where it will only conduct on peaks (Class C). In fact, a severe peak can cause the amp to cut off altogether, resulting in a total loss of output.

Worse still, the grid resistor/coupling cap combination as an RC time constant, so the effect lasts for some time after the overload has passed in sort of a time-delay distortion mechanism.

Reducing the grid resistor to combat these effects is no solution. We want a DC grid resistance similar in magnitude to the impedance of the driver valve, i.e. a few hundred ohms, not a few hundred kilohms.

Making your grid resistor 600 ohms will likely kill the driver stage and, anyway, would require a coupling capacitor so big that the RC time constant would put us right back where we started.

To cure the voltage swing problem requires a circuit element which has low DC drop but a high AC impedance. Plus, we need a low DC resistance in the grid of the output valve. And the device should efficiently couple the driver valve to the output tube's grid.

The driver transformer is exactly what we need for the job. Its primary inductance presents an extremely high AC impedance to the driver valve and reflects the anode impedance of the driver into the grid circuit of the output valve. A good driver trans will have a primary and secondary DC resistance on the order of 300 ohms, so the problems associated with grid current are more or less eliminated. This is a resistance 1000 times lower than I've seen in some designs.

Ideally, the transformer secondary is left unloaded, i.e. there is no "damping resistor" put across it to cut ringing. An unloaded transformer sounds better and it gives the driver valve a higher impedance load.

There are two large-scale problems with driver transformers; HF frequency response and LF frequency response. These two requirements are mutually exclusive to a certain degree and many commercially available transformers sacrifice one for the other. The Tango transformers, for example, seem to go for impressive-looking HF specs but they have diminutive primary inductances which limit the LF performance.

The problem is compounded by the unbalanced DC current imposed by SE operation, which requires that the number of primary turns must be increased to counterbalance the loss of permeability caused by the air gap in the core. Leakage inductance is proportional to the square of the primary turns so it's a real pain in the butt.

The driver transformer in the Ankoru has to handle 45 mA and still have superb bass, so it took some heavy calculator work and a few trees worth of paper to get it all working! [The Ankoru interstage trans will be available as a DIY part-ed.]

I love the sound of large triodes like the 211 and 845. The 845 was used in this amp because if offers greater power in Class A1. The 211 is a more voltage sensitive valve than the 845, its mu is higher but then so is its internal impedance. It can't swing a lot of current at the low voltage end of the anode swing without having the grid driven positive into Class A2. When pushing the grid above zero volts, it no longer reacts as a high-impedance terminal. It starts to draw appreciable current, corrupting the input signal in a most unattractive way unless the driver impedance is extremely low.

The grid-cathode diode impedance of a 211 is about 2k, so we would need something around 100 times lower or hideous distortion would result. The waveform distortion could be corrected using feedback but why build an amplifier that is intrinsically non-linear?

The 845 can sink a lot more juice where the 211 starts wheezing, but since the mu is so low, it requires a driver stage capable of considerable voltage swing. The 845s in the Ankoru are biased at -100 to -200 volts for an anode current of 75 mA at 1200V B+, they look into a load impedance of around 6k, and put out a formidable 70 Watts. The output transformer has to cope with 150 mA DC and hold its 6k impedance down at LF, requiring a high primary inductance. This takes a serious hunk of iron, but the Ankoru output is just such a beast and the bass is awesome, if I do say so myself.

To keep the drive signal to the output valves clean requires a driver valve of excellent linearity. One could use an indirectly heated valve such as the 6BX7, very linear, or the slightly less linear 6BL7, but low impedance, low mu directly heated valves are definitely the best choice.

Since this amp has to be built using valves which will be available for some time into the future, so that replacements can be made throughout its life, it was necessary to use modern versions of either the 2A3 or 300B. I originally experimented with the 2A3 as I wanted a measure of its clarity and immediacy, but these valves have a very nasty habit of making toilet related noises even in the output stages of amps, and using one as a driver was impossible. I even tried some NOS samples but many were only marginally better, only the best and therefore rare and expensive samples were quiet.

So the 300B was chosen, and it brought its characteristic warmth and musicality to the amp as well as a greater impact to the bass. The 300B is operated with 300V across it and an anode current of 45 mA so it will last for ages, no more current or voltage was necessary for driving the 845s to full output. The 300B's output is in fact so large that the 845s will be freaking (and so will your wife and the neighbours) before it runs into trouble, which makes its jobs and the job of the input stage easier.

Various input configurations were tried, all using the E182CC/7044 valve for its powerful sound. The original and best sounding configuration gave the amp so much gains as to be impractical. Long speaker leads acted like antennae and transmitted the amp's output into the input leads causing instability. Super high quality cables and careful system set-up would eliminate the problem but as this is a commercial amp, it has to be dealer-proof, so a simple, single-stage RC coupled affair was settled upon. The 7044 was always run at a high current to really bring out its flavour.

The Ankoru is interfaced to the preamp via a coupling transformer to allow balanced operation and to properly ground the grid of the red hot 7044. A switching system permits regular unbalanced input as well. The Ankoru is intended for use with the Audio Note M3 which has output transformers and balanced outputs.

Ideally transformer coupling between the input stage and 300B would have been used but even super quality transformers impart a signature upon the sound (ultra mega quality ones don't however) so a special copper foil capacitor with paper/oil dielectric was used to couple from 7044 to 300B. This capacitor, like all caps, has a sonic character but it was used to avoid a build-up of one type of timbre caused by the cascaded transformer coupled stages.

The power supplies are fairly standard, and of course valve not silicon, remember microprocessor parts in the power supply equals computerized sound. If you want your record collection to sound like a bunch of cheap CDs, then use silicon rectifiers for the audio PSUs like all the other junk in the shops. In fact, I would use valves for the filament supplies if I could - Tungar rectifiers such as the Ediswan 68506 would work for those who dare [Cool! - ed.] or AC straight from the mains trannie, but then punters would whinge about hum. I could have built gargantuan supplies which would have caused the primordial fires of a nuclear power station to die but this amp had to fit into an (almost) domestically acceptable chassis.

So a sensible but effective approach was taken; capacitor rather than choke input filters were used to get maximum voltage efficiency and chokes were used to get ripple down. The capacitors in the PSUs are directly in the signal path so they need to be of excellent quality and here the Cerafine types come into their own. They have a smooth and refined sound. Energy storage was not taken to extremes but the main HT for the 845s holds 50j of energy (the caps on the input side of the filter are isolated from the audio circuit by the choke and therefore don't count).

It is necessary to have a rigid supply. Smaller caps generally sound a bit sweeter in the mid and treble, but if you want a decent bass quality, the last thing you want happening is the PSU flapping about all over the joint. You don't put a lawnmower carburetor on a Ferrari engine.

Going for oil drum sized caps doesn't work either (Question: Can you think of a trannie amp with super solid bass and complete and utter crap everything else?). Super sized capacitor supplies can pump out heap big LF current transients but they take heap big time to recover as well, and the impedance of the giant electrolytics just skyrockets as the frequency rises.

Regular capacitor power supplies integrate the demands placed on them so a bigger supply reacts a smaller amount but everything takes longer. So the PSU for the 845s is suitably scaled for an excellent all-round performance, solid bass through to sweet and delicate treble. Things are made a bit easier because the energy storage of a capacitance is proportional to the square of the voltage on it and at 1200 V it doesn't take a big capacitance to store a lot of grunt.

To minimize the effects of the 845s on the preceding stages, the 300B and 7044 have their own supply from a separate mains transformer. Both are run from the same rail so that the 7044 has a really juicy supply to suck from, and remember the 300B is running into an unloaded transformer so there is minimal supply draw variation due to constant current operation.

The 845 supply is rectified with two 5R4s in a voltage doubler configuration to ease the peak inverse voltage requirement, the output impedance and peak current go up but it is still satisfactorily within the valve's limits. The driver stage HT is via a 5Y3 rectifier and the bias supply uses a 6X5. The main HT is delayed by the bias supply, the driver stage and bias power is applied when the amp is switched on. The 6X5 is indirectly heated rectifier and so takes a little while to come up.

When the bias voltage reaches a safe valve the big 845 power transformer is switched in by a relay. If the bias fails for any reason, the relay will drop out, cutting the power to the 845s.

All in all I am pleased with the end result, the Ankoru when partnered with a good preamp such as the M3 and a good turntable, gives a superb musical performance. It can resolve the smallest nuances and subtle timbres of classical music and deliver the visceral impact of techno, even with relatively inefficient speakers.

In short, this was the design brief: A single ended amp which would give that SE charm and musicality but which would also send the big solid state boys back to their silicon shrines to have a serious rethink.