OTL = Output Trasformer Less Tube Amplifiers
My consideration on problems of each design:
Ciclotron balanced design problems (type 1):
- more high output resistence because there are
2 device in series
- the duplication of the power supply (2 for each channel)
- impossible to use with earphone (because no ground on output terminals)
- you can destroy the loadspeakers if you don't
use a DC protection
   (a simple variation of the bias of one output tube will give high DC on output)
Technics design problems (type 2)
- changing the load the first feedback cannot to compensate asimmetry of the output stage.
(in
the real case the loudspeakers is not a constant impedence)
SRPP (type3)
- very high Output resistence
- it work only in Class A so very short life for tubes
- many power lost in cathode resistence
- very low efficiency
- high distortion
- you need 4 or 6 output tubes for channel
Futterman design (type 4)
   At this time I don't have found problems.
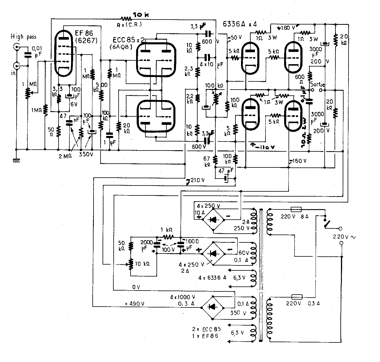
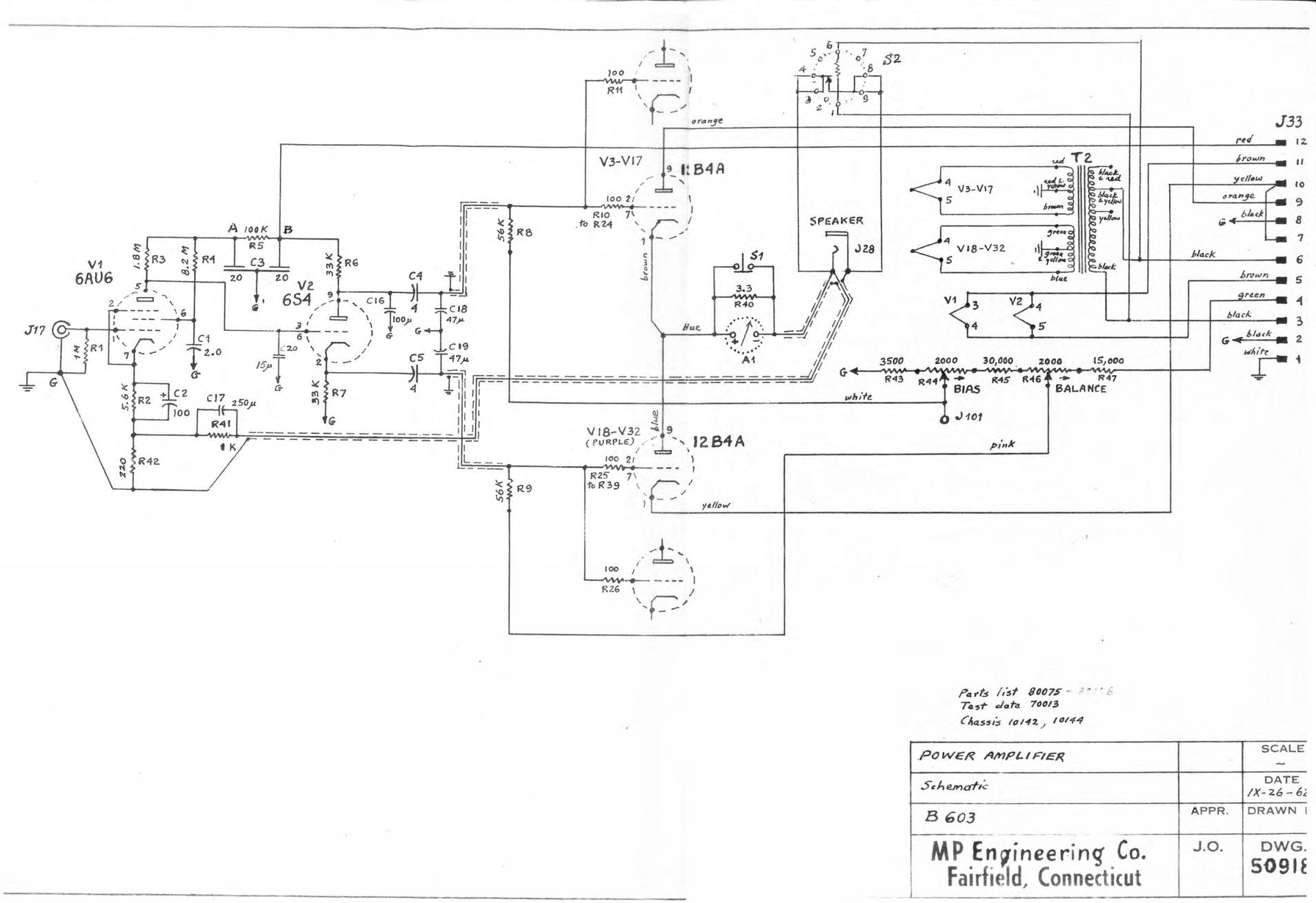
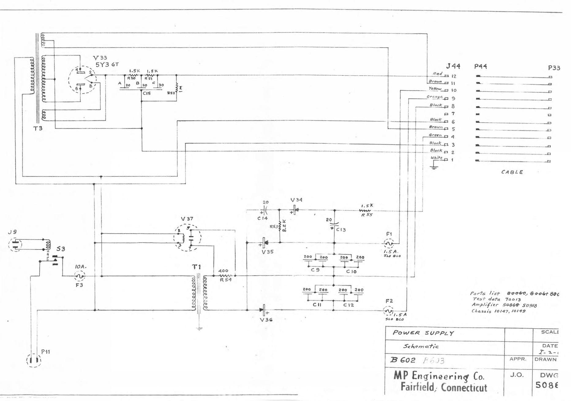
Follows a circuits gallery of new design
OTL by Andrea Ciuffoli
OTL by
Andrea Ciuffoli
OTL ideas by Takuji Yamamoto (japan)
OTL by Morikawa Chuyu from MJ 1993/4
OTL by unknow Japan company
Yozo Matsuoka - from MJ 01/97
OTL by Yozo Matsuoka from MJ 1995/11
OTL by ? from MJ 1997/7
The COVI Mark II 100 W OTL Amplifier
mirror on my web
lee.html
Kaneda ibrid OTL - 40W 1% thd 18db nfb
Kaneda ibrid OTL - power supply
New Kaneda ibrid OTL
ibrid 6C33C OTL by Shinichi Kamijo
EL509 OTL by Shinichi Kamijo
SRPP 20 watt Class A OTL by Fabio Camorani from Sound Practices (I have complete artile)
SRPP 20 watt Class A OTL by Fabio Camorani from Costruire Hi-Fi (I have complete artile)
Transcendent Sound, Inc.
  complete patent with circuit (I have all pages)
Graaf 20 schema and
photo
Old design circuits
Understanding OTL design
in the article
Background and OTL Circuits by aria
Understanding Basic Circuits by Atma-Sphere
Commercial OTL
Graaf GM-200
Fourier Panthere
Atma-Sphere
Trascendent Sound inc