|
back to www.audiodesignguide.com |
To get more information contact me at: webmaster@audiodesignguide.com |
|
|
After the good result obtain with AK4137, on the
DSC1 project, here using the
Terra-BerryDAC 2+ module I am trying to assemble a compact Music Player with
Hi-end performances.
The AK4137 allow the on the fly convertion from PCM to DSD so it is not
necessary a good computer as player.
![]() |
![]() ![]() ![]() |
Main specifications of the Terra-BerryDAC2+ module
| Model | Terra-BerryDAC2+ |
|---|---|
| Main chips |
DAC:AK4490EQ SRC:AK4137EQ OP-AMP:LME49720 |
| I2S input | PCM ~768KHz, DSD(I2S DoP) ~11.2MHz |
| SRC output(DAC input) |
PCM :705.6KHz/32bit or 768KHz/32bit DSD(DoP):DSD11.2MHz |
| I2S input | RaspberryPi or Combo384 |
| Output terminal | Unbalance, Balance |
| Power supply | + 5V ± 5% |
| Current consumption | About 170 mA |
| Size | 65 x 56 mm (RaspberryPi HAT compatible size) |


Raspberry Pi 3 model B

The Raspberry Pi 3 is the third-generation Raspberry Pi. It replaced the Raspberry Pi 2 Model B in February 2016.
Quad Core 1.2GHz Broadcom BCM2837 64bit CPU
1GB RAM
BCM43438 wireless LAN and Bluetooth Low Energy (BLE) on board
40-pin extended GPIO
4 USB 2 ports
4 Pole stereo output and composite video port
Full size HDMI
Upgraded switched Micro USB power source up to 2.5A
Volumio setting
To control this player you can use a normal smartphone or tablet of medium
quality.
No Wi-Fi network is necessary because Volumio configure a Wi-Fi Hot-Spot with a
private network.
Wi-Fi password volumio2

After downloading from the playstore open it and set the Playback Options with the following mode.


Power supply
To get the best audio performance probably is necessary use a linear power supply for
both the sections of this module.
Only the Terra-BerryDAC 2+ have 2 power supply input, for the Raspberry Pi and
DAC.
Remove the jump near to the power supply connector and add an external power
supply.

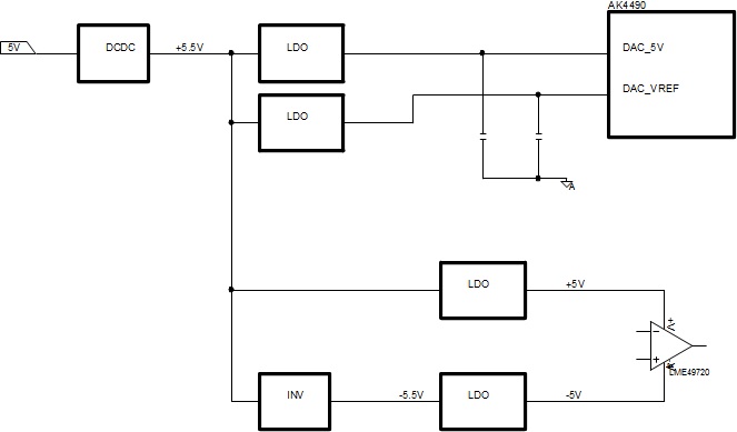
The main problem now are the on-board DCDC used to create +5.5V, it could create noise.

I have used an external power supply with LT1083 linear regulator to increase teh performances

Tranformers output stage
The output trasformers has been selected after many test and also
I have compared these with other models with much higher cost.
These have a turn ratio of 2:1+1, made with a permalloy core with a thickness of
0.16mm and a declared frequency response of 10Hz a 195 KHz-0.2dB.


Measurement
A very good result on measurement, the distortion
is always less than 0.005% at 1.4Vrms (-6dB).
The max output voltage is 2Vrms at 0dB.


