|
back to www.audiodesignguide.com |
To get more information contact me at: webmaster@audiodesignguide.com |
Saba III A loudspeakers
At the specific request of a my friend, I
did various tests on various speakers made with Vintage speakers produced by
Saba.
All these speakers are
paper membrane and withstand very low power which makes them quite difficult to
use in modern high dynamic systems.
Here we are testing and upgrading a complete and more recent speaker 1967.


In this series of speakers they have increased the dynamic range by using rubber suspension woofers and cutting the most fragile and older paper suspension driver above 300Hz.
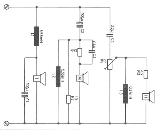
The original crossover use a second order to cut the woofer with mid
and there is not a true filter to cut the mid with tweeter.
The most important capacitors on the signal path are bi-polar
electrolytics Frako-Eiko.

The first step has been develop a filter to compensate the problem of the mid driver in the range 1KHz - 2KHz

Here the new filter develop after my measurements, now these loudspeakers sound like like a modern hi-end system.









