back to
www.audiodesignguide.com

To get more information contact me at: webmaster@audiodesignguide.com


Neo-fone
by Andrea Ciuffoli - starting in the October 2007


INTRODUCTION

I am starting with this project a full-range drivers test and I will compare many of this drivers in the 2007.

COMPONENTS

These are full-range  loudspeakers using a single cone driver unit Neo-fone created by diyhifisupply

5.25"(130mm) to surround edge. Cast basket. Alloy cone. 50w power handling. Powerful neodymium magnet (self-shielding) with heat sink. 8 ohm impedance. 6.3mm Xmax. Tube friendly, check the impedance curve.

I have found a fast and cheap method to build the chassie: Enclosure Point.

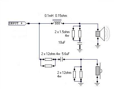
To extend the band has been used a  Foster ribbon tweeter with lens and a simple filter with a 0.69uf MKP cap
 

PROJECT

click on this image to see the complete design

MEASUREMENTS

Here are some plots generated with my Clio system by Audiomatica.

MLS analisys at 1m on axe with original 0.68uF filter

MLS analisys at 1m on axe with my new filter

only woofer without filter