|
back to www.audiodesignguide.com |
To get more information contact me at: webmaster@audiodesignguide.com |

100w Hi-End Hybrid
Amplifier
started on March 12 st , 2010
INTRODUCTION
This amplifier born to
create a reference in the hybrids using the best design and no compromise
components.
Any solid state amplifier is composed by two sections: voltage and current
amplifier.
All the hybrid amplifier use as voltage amplifier vacuum tubes and transistor or
mosfet in the current amplifier.
The vacuum tubes are not good to drive low impedance without transformers but
have a good linearity also for large voltage swing.
VOLTAGE AMPLIFIER
To get a good output distortion decay in any condition I
have decided to use a single tube in this stage.
I have searched a tube with a very good linearity for large swing and low anodic
resistance to drive the output stage without problems.
This tube should have an amplification factor
greater than 40 to connect this amplifier
directly to the CD player or phono pre-ampl.
To get 100w on 8ohm we need:
P=V * I and I = V / R =>
P = V * V / R => V = sqrt (P * R ) = 28Vrms
so if we want a sensibility of 0.5Vrms we need
Amplfier factor tube = 28 / 0.5 = 56

|
Many of these tubes have a plate resistance about 2Kohm but only the D3A and 6C45 have an amplification factor greater than 50. D3A specifications in triode connection:
|
6C45 specifications:
|
In this amplifier it is possible to use the Russian 6C45
(instead of D3a) without many changes (disconnect only 2 pin on the socket) but
in this case will be necessary 1Vrms in input (instead of 0.5Vrms) to drive this
amplifier.
To use the 6C45 it is necessary limit the power supply voltage of
the driver reducing the relative secondary of the transformer because this tube
have a max anode voltage of 150V.
There are 4 types of single ended configuration
![]() |
Anode/Plate resistor This is the more simple and cheap configuration but it give a very good sound with a little high distortion value. The max output with a good distortion spectrum decay is 22.8Vrms 1.78% thd -
1KHz FFT
|
![]() |
Anode/Plate choke
In this case all the power supply voltage is on
the anode and the choke duplicate the voltage swing. |
![]() |
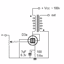
Output transformer
As the plate choke configuration also in this case all the
power supply voltage is on the anode and the inductance of the
transformer duplicate the voltage swing. |
![]() |
Constant current generator
This configuration is completely different from the hybrid mu-follower
tested and not used in my
2A3 PSE
cheap. |
This driver stage use a cathode bias so it is necessary a very good audio
capacitor in parallel to the cathode resistor 100ohm.
The value of this capacitor is the result of many test because its influences
the low frequency response (lower value can create a positive peak in the low
frequency area for a resonance).
I have used 3 x 220uF 6.3v
Sanyo OS-Con in parallel to have the 660uF value but you can insert a single
680uF.
A valid alternative to the OS-Con are the old
Black-Gate
N/NX/STD or new
ELNA Silmic II.
![]() |
Improved constant current generator
As the previous there is a fixed solid state current generator.
|



CURRENT AMPLIFIER
The most simple design to create a current amplifier is the
darlington with 3 stages.
This solution have good performances and it give few problems in fact this is
used in many amplifiers.
If we want increase the slew-rate performances and
reduce the open loop distortion is possible to use a design like the
Audio Research D100 or
Audio Research D-400.
In the D-400 to prevent the limitation of this design, as explain very well in
the article
Building better buffer from
Electronics World Nov. 1992, the Audio Research have put on emitter of first
stage a dynamic current generators with high feedback error correction.
Using this design the slew rate is very high and the distortion very low, as
visible in the following plot obtain with a Spice simulation using Winspice.
![]() |
![]() |
If the design is not extreme like the D-400 it is possible avoid the dynamic
current generators in fact others amplifier like the
Audio Research D100 use static current
generators.
The Pioneer A-09 use a simpler method to
implement a dynamic current generators but this circuit can lost stability.
My choice for this project is a current amplifier inspired to the Audio Research
D100 output stage.
In the current amplifiers using the darlington is
necessary use a vbe
multipliers as thermal effects compensation but in this design is not
necessary if all the transistors are fixed on the same heatsink.
The LM308 op-amp. is used as an integrator to eliminate the dc offset on output
and there is no manual regulation to do.

![]() |
![]() |
Follows some data obtain with the Winspice simulations where is visible the best combination in red with the output stage on perfect class AB bias.
| Current driver on MJE transistor | Current output on NJW transistor | Thd value on 40Vp on 8ohm load | Thd value on 40Vp on 4ohm load | Thd value on 20Vp on 8ohm load |
| 0.29A | 0.18A | 0.035% | 0.076% | 0.014% |
| 0.22A | 0.19A | 0.033% | 1.8% | 0.016% |
| 0.25A | 0.19A | 0.032% | 0.55% | 0.015% |
| 0.29A | 1A | 0.15% | 0.25% | 0.04% |
| 0.29A | 2A | 0.014% | 0.38% | 0.01% |
The simulation output at 40Vp on 8ohm load has been saved in the following images (red current combination).
![]() |
![]() |
![]() |
|
Follows the first measurements of the output stage on 8ohm load with only one pair of output transistors and bias current set to 0.110V / 0.47ohm on each.


Follows the first measurements of the output stage on 8ohm load with all the pair of output transistors and bias current set to 0.070V / 0.47ohm on each.


POWER SUPPLY
To get the max sonic performances the my choice is a slow turn on power supply for the filaments using a common LM317 and a virtual battery operation power supply for the anodic with a power mosfet.

![]() |
The power supply for the solid
stage output stage is composed by a custom toroidal transformer
created on my specification by
Italtras. electromagnetic flux 80%
than normal |
![]() |
FWB1
rectifier module with Schottky Full Wave Bridge Rectifier got by
Avondale Audio
|
![]() |
4 x 22000uF 63v Jensen electrolytic mod. 022670 (dimension 50x65 mm)
|
PROTECTION
I have used this 50A Turn-on Delay, Loudspeaker Protection Module DIY got on Parts Kits DIY Ebay shop changing only one capacitor from 47uF to 470uF to have a longer startup delay.


MEASUREMENTS
Both stages at 28Vrms (100W) at 1KHz and 100Hz.


Follows the measurements at 12Vrms (18W) on 8ohm

Follows the frequency response.

PHOTOS

PROTECTION + SOFT START + PUSH BUTTON (It will not be used!)
Any serious solid state amplifier need a protection circuit because a fault on output transistors can destroy the loudspeaker.
I have integrated in the same circuit a soft-start to eliminate shock on electric environment during switch on, a push button to get a beautiful look and the protection on dc output.


I have found 2 little problems in the pcb so there are some corrections (in red).
![]() |
![]() |