|
back to www.audiodesignguide.com |
To get more information contact me at: webmaster@audiodesignguide.com |
|
Amplifier End
started in the 2011 INTRODUCTION
This an "End" level design so, like the
Phono End
and DAC End, it
give the max sonic performances. |
![]() |
![]() |
|
![]() |
|
![]() |
UPDATE August 2012:
There is a prototype of this type of design developed in 1995 and published in 2004 in several editions by Yury Nagorny:
After many listening tests I decided to eliminate the bypass capacitors on power
supply so the 10uF and 47uF Solen MKP are no longer needed.
The bias current must be set to 1.2A (0.19V on 159ZJ choke) to prevent the
shutdown of mosfet and to get a pseudo class A operation.
VERY IMPORTANT
UPDATE February 2013:
Please do not touch with multimeter the mosfet gate after power on because this
operation will destroy the mosfets.
Before to connect the mosfets set the trimmer to have about 1.8V DC on 470ohm
resistors and after the power on increase both trimmers until the correct bias
is set and turn only one trimmer to get zero DC voltage on output terminals (after check again the
current).
This is an output bridge amplifier so both the output terminals are active and
these must be isolated from ground.
If you don't use the chokes on power supply add a 0.1ohm 2w resistor in series
to each power supply to measure the bias current (0.12V on 0.1ohm mean 1.2A
bias).
SUPPORTERS
These companies have supported this project with some discounts on the components.
![]() |
|
![]() |
![]() |
![]() |
|
SCHEMATIC

CONNECTIONS GUIDE

POWER SUPPLY
I have design the power supply to follow a single ended amplifier
style but you can use a common solid state design without chokes.
The CLC power supply skip any noise problem and it is superior to any pure
capacitor design also if large value are used.
In the following simulations with
PSU Designer II you can
see the big difference in residual noise, with CLC type we get a pure sine wave
so it mean low harmonics.
The Hammond chokes used in this amplifier are not difficult to integrate in any amplifier because these have a compact size and these are not expensive.
Following the experince of my last amplifiers I have used Schottky Fast Soft recovery diodes in any section of the power supply but you can use normal 36A diode bridge like the IRF 36MB60.
To create a fast diode bridge with these TO220 and large
SMD chips I have created 2 simple pcb.
You can ask to Quanghao to get a
quotation about these pcbs.
For this design you can use normal transformers produced in stock but my choice is 2 custom made on my specifications:
Italtras Srl
Transformers in the world
30-0 6A
30-0 6A
9-0 2A
115-0 0.3A
external size 125x65mm, core type M0, flux 80% than normal (13000 gauss instead of 17000 gauss).
There are some choice for the power supply capacitors:
In the output stage I have used 50V Nichicon Super Through because lower voltage sound better and in the the driver stage 100uF 450V Kendeil K05 + 150uF 200V old stock Blackgate.
After the good result obtain in the Cheap System 3 all the power supply have a large MKP Solen bypass capacitor to be sure that medium and high frequency have a fast road.
The 8.2ohm 10W resistor is necessary to reduce the
filament and bias voltage, it function is also skip any noise of peak generated
on diode bridge.
If you don't use this resistor and reduce the secondary voltage of filaments in
this case the transformer will
amplify the noise peak on higher voltage secondaries.
I have used a 8.2ohm 25W to fix this resistor easily with two screws.

LAYOUT
The my choice is the HiFi-2000 mod. Pesante dissipante
5 units with 10mmm frontal panel.
On paper each lateral heat sink of this chassie have a capacity of 0.25 °C/W so
it will keep the output devices in a good safe area also when the environment
condition are terrible 35 °C.
It is possible use 4 units container but you should use normal power supply
instead of CLC for the output stage because there is no enough space for all the
parts.




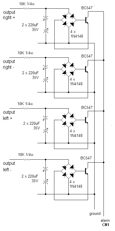
PROTECTION CIRCUIT
Any serious solid
state amplifier need a protection circuit because a fault on output transistors
can destroy the loudspeaker.
The Circlotron
design have an intrinsic protection and
also if one power is disconnected the max dc output is about 4-5V.
I have integrated in the same circuit a soft-start to eliminate shock on electric environment during switch on, a push button to get a beautiful look and the protection on dc output.
You can use the following protection circuit with BC547 without the main board with 4013 and LM311 if you don't need the push button feature and the soft start.
![]() |
|
|
|
![]() |
Vandal Resistant Push Button
Switches RS Stock No. 174-6381 Manufacturer Apem Manufacturers Part No. AV021003C900 The panel cut out is 22mm, the same of noval socket, so this is the ideal choice for the 10mm front panel |

I have found 2 little problems in the pcb so there are some corrections to do (in the schematic are in red).

MEASUREMENTS
Follows some measurement of distortion decay at 3 different output voltage on 8ohm load, the last show a thd of 1.5% at 50w.



Follows the frequency response at full power on 8ohm load, only +-0.2dB in the 20-20KHz range.

POWER SUPPLY CABLE
I always used normal power supply cable but for this amplifier I will try this DIY cable with these following parts.
|
|
PRVV21A Gold |
GOLD CE - IEC 10A/250V high temperature (155°C)vertical contact professional cable Holder for cable diam. mm 9 about, |
|
|
Schuko 1 Black GOLD |
GOLD CE- European Schuko for cable diam. max 9mm |
|
|
CY3150 |
3x1,5 OFC Red copper conductors with double Copper+Aluminium shield ultraflex sheat |
COST
The total cost to create this amplifier is not very low
but you are building a reference amplifier without compromise.
It is possible use normal power supply for the output section with only large
capacitors instead of CLC and you can use a solid state power supply for the
driver stage like in my
PF2007,
Pre Phono 4,DAC
End 2 and
Headphone
amp. End.
| Qty | model | brand | unit price (euro) | total price (euro) | shop |
| 2 | D3a | Siemens | 20 | 40 | www.ebay.com |
| 4 | 2SK1058 | Hitachi | 7 | 28 | Electronic shop |
| 2 | LL1671/20mA | Lundahl | 100 | 200 | Lundahl distributors |
| 1 | 10K+10K | DACT | 145 | 145 | |
| 4 | 159ZJ | Hammond | 20 | 80 | |
| 2 | 159M | Hammond | 21 | 42 | |
| 1 | 159ZE | Hammond | 20 | 20 | |
| 4 | 10000uF 50V | Nichicon Super Through | 15 | 60 | www.partsconnexion.com |
| 4 | 15000uF 50V | Nichicon Super Through | 20 | 80 | www.partsconnexion.com |
| 4 | 47uF 250V MKP | Solen | 15 | 60 | www.solen.ca |
| 4 | 2.2uF 250V MKP | Solen | 3 | 12 | www.solen.ca |
| 2 | Custon TR | www.italtras.com | 130 | 260 | www.italtras.com |
| 20 | MBR40250 | ON | 2 | 40 | www.digikey.com |
| 8 | MBRS3200T3 | ON | 1 | 8 | www.digikey.com |
| 2 | 22000uF 16V | Kendeil | 8 | 16 | Electronic shop |
| 1 | chassie | Hi-Fi2000 | 196 | 196 | |
| 1 | PRVV21A IEC | Gold | 6 | 6 | |
| 1 | Shuko 1 | Gold | 6 | 6 | |
| 2 | CY3150 | cable | 7 | 14 | |
| 1 | connectors | 50 | 50 | ||
| 1 | other items | 50 | 50 | ||
| total | 1413 |