|
back
to www.audiodesignguide.com |
To get more information contact me at: webmaster@audiodesignguide.com |
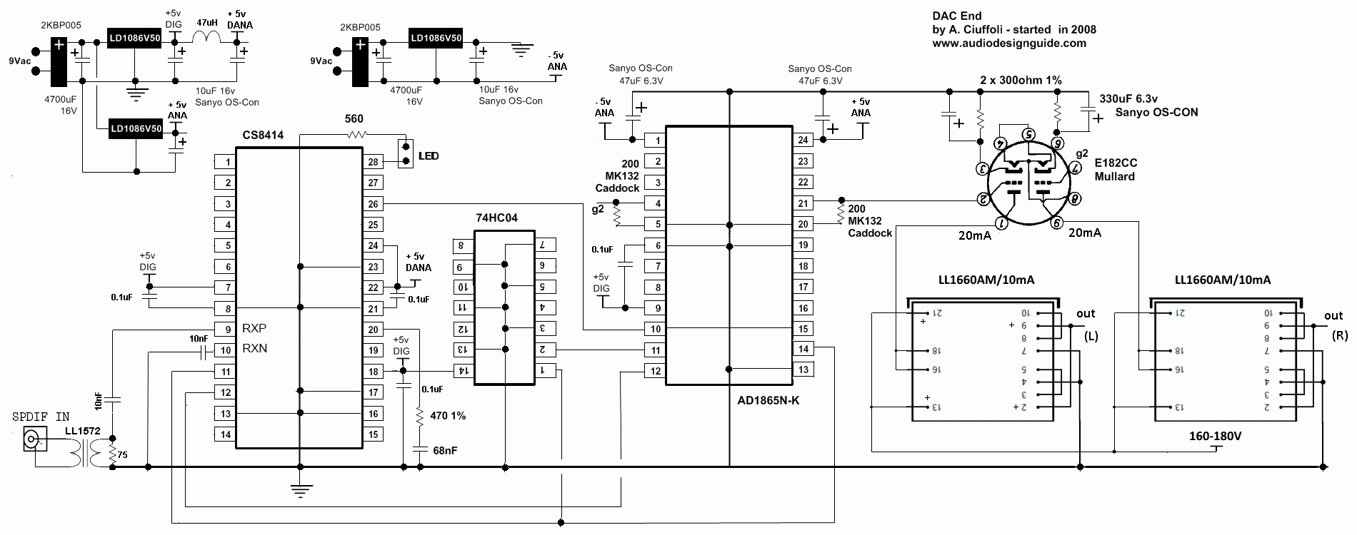
After many time lost to explore the DAC world from the DAC 1.0 to the DAC Final I have found the end of this way.
The No Oversampling DAC give a more natural sound but if you ear the TDA1541 and TDA1543 seem to lose details.
The AD1865N-K with passive I/V give a perfect combination, natural sound and all the details.
So this project is the end of my DAC projects also if someone speak very well about the AD1862.
The AD1865N-K give the better performances with a 200ohm MK132 Caddock as passive I/V.
In this configuration the output signal is too low to drive any amplifier so I have design for the AD1865N-K the better output stage.
This DAC use a single ended vaccum tube amplifier with output transformer and no interstage capacitors.
To get the max sonic performances has been used the new amorphous C-core by Lundahl.
I have tested other output stages like the LL7903 used as voltage amplifier or as I/V conv. but the results was bad if compared to this.


COMPONENTS
About wire forget the teflon ! use only stranded tinned copper wire with pvc isulator.
A very good quality stranded tinned copper wire could be buy directly from E-Z-HOOK that carries an extensive line of fine stranded and extra flexible wire.
The output transformers used in this project are the new Lundahl with amorphous C-core for the best sonic performances.
The LL1660AM/10mA has been configurated with the primaries in parallel (pin 13,16,18 e 21) to have a correct gap for a 20mA anode current.
In this configuration the LL1660AM/10mA have a primary inductance about 31Henry so the E182CC with a Ra about 2Kohm will give a ft(-3dB) = Ra / ( 2 * 3.14 * L) = 2000 / ( 2 * 3.14 * 31) = 10Hz (-3dB).
A valid alternative to the E182CC are the R5842 Raythoen and the D3A Siemens.


POWER SUPPLY
To get the max sonic performances and very long vacuum tube life has been choised slow turn on power supply for the filaments uning a common LM317 and a virtual battery operation power supply for the anodic using a power mosfet.

For this power supply I have used the R-CORE model R26-90 by DiyClub.Biz with primaries 2 x 115v and seconaries 0-150v(0.2A) + 2 x 0-9v (1.1A).
MEASUREMENTS
I have used in all the measurements the Clio system by Audiomatica with the Transit by M-Audio to use the USB port of my portable pc (instead of the PCI audio board) and with the Audiophile USB by M-Audio to have a spdif ouput.
The frequency responce is about 20 - 14000Hz at -1dB and 20000Hz at -3dB.
The output impedance is about 2200ohm with 2 secondaries in parallel and it could be about 1000ohm with all the secondaries in parallel but reducing the output level to 1Vrms.
It is very easy get a balanced outputs if it is necessary.
Follows the THD spectrum on AD1865 output.

Follows the THD spectrum of both channels at 0dB.

